Backstop
-
Locking Assemblies
TEL :
+86-577-65279828
|
Email: zjxljx@126.com
|
中文
Toggle navigation
Home
About us
Company profile
Culture
Organization
Workshop
Products
Backstop
Locking Assemblies
Coupling
Adapter sleeve
Overrunning clutch
News
Honor
Video
Contact us
Contact
Feedback
网站首页
Products
Coupling
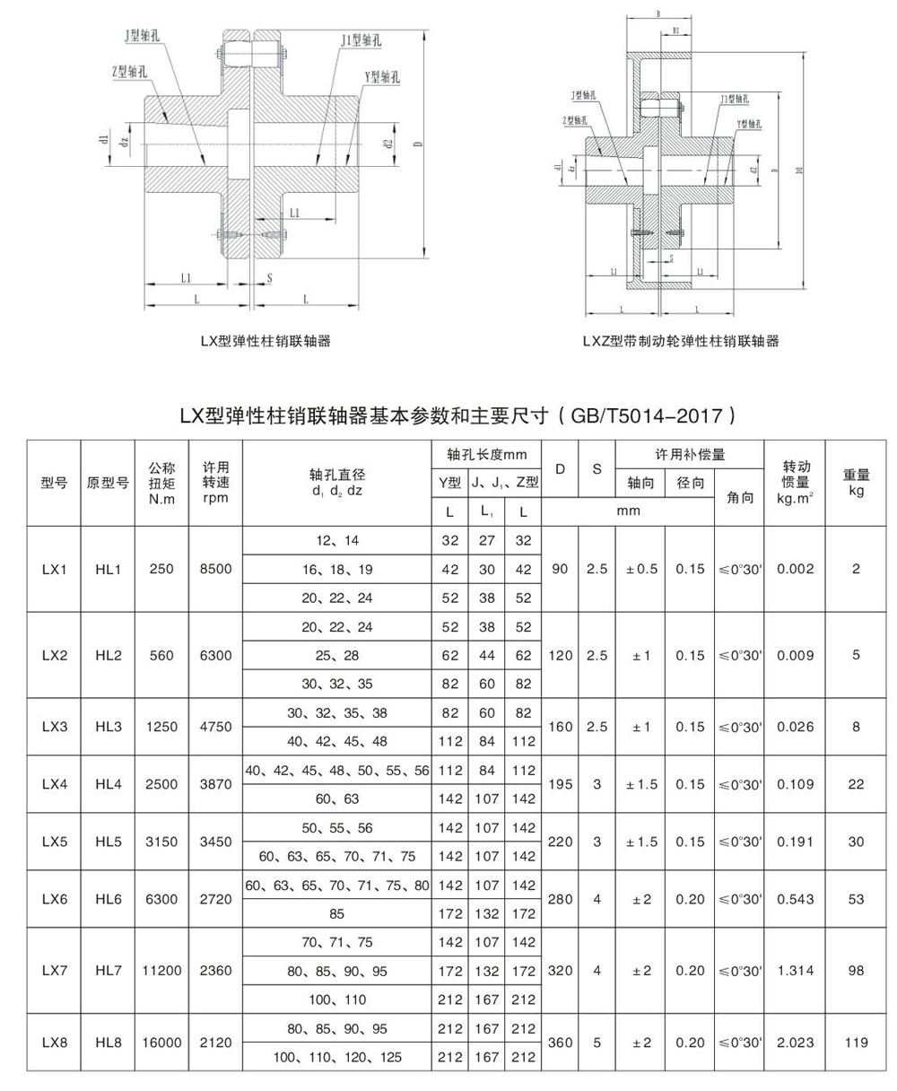
LX型弹性柱销联轴器 (GB/T5014-2017)
在线咨询
在线咨询
姓名(*)
Email(*)
电话
内容
提交
相关产品
蛇簧联轴器
LX型弹性柱销联轴器 (GB/T5014-2017)
LT型弹性柱销联轴器 (GB/T4323-2017)
LML型带制动轮梅花形联轴器 (GB/T5272-2017)
上一页:
蛇簧联轴器
下一页:
LT型弹性柱销联轴器 (GB/T4323-2017)
Products
Backstop
Locking Assemblies
Coupling
Adapter sleeve
Overrunning clutch
NEWS
• Characteristics of backstop products produced by Xinlong Machinery
• Explanation of Locking Assemblies Technology
• DSN(NJZ)低速楔块式逆止器